Hummer EV
DRIVE MOTOR/FRONT-SECONDARY (S8L) SEE GROUP 04 FOR ADDITIONAL DETAILS
Раздел
DRIVE MOTOR/FRONT-SECONDARY (S80) SEE GROUP 04 FOR ADDITIONAL DETAILS
Раздел
DRIVE MOTOR/REAR-PRIMARY (P8L) SEE GROUP 04 FOR ADDITIONAL DETAILS
Раздел
DRIVE MOTOR/REAR-PRIMARY-SEE GROUP 04 FOR ADDITIONAL DETAILS (P79)
Раздел
DRIVE MOTOR/REAR PRIMARY (P80) SEE GROUP 04 FOR ADDITIONAL DETAILS
Запчасти
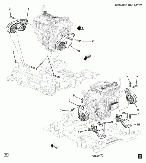
DRIVE MOTOR MOUNTING/FRONT-SECONDARY (S8L,S80)
Раздел
DRIVE MOTOR MOUNTING/REAR-PRIMARY (P8L,P80)
Раздел
DRIVE MOTOR MOUNTING/REAR-PRIMARY (P79)
Раздел