cat
by
vin
Найти
Каталоги
Главная
KIA · CKD-COMMERCIAL [KMESSPU04]
Узел
CKD-COMMERCIAL [KMESSPU04]
(CKD) K2500 04 (2011-) (URUGUAY)
Воздушный фильтр
Запчасти
Передний корпус и масляной фильтр
Запчасти
Турбокомпрессор и охладитель воздуха
Запчасти
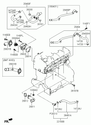
Шланг и трубопровод охлаждающей жидкости
Запчасти