Tx Series - TAUA10L-BWZGTA
ENGINE 1: 2400CC 16-VALVE; ATM,MTM: AUTOMATIC TRANSMISSION; GEAR SHIFT TYPE: ATM, 8-SPEED FLOOR SHIFT; MODEL MARK: G(MODEL MARK)
Датчики, блоки, клапана, регуляторы трансмиссии
Раздел
АКПП, составляющие
Раздел
МКПП, составляющие
Запчасти
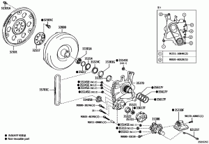
Дифференциал
Раздел
Крепление трансмиссии
Запчасти
Механизм переключения передач КПП кулиса
Раздел
Прокладки, сальники, уплотнители трансмиссии
Запчасти
Система сцепления
Запчасти
Система смазки трансмиссии
Раздел