catbyvin

Tx Series - TAUH15L-BWTSTA

ENGINE 1: 2400CC 16-VALVE; ATM,MTM: AUTOMATIC TRANSMISSION; GEAR SHIFT TYPE: ATM, 6-SPEED FLOOR SHIFT; MODEL MARK: S(MODEL MARK)

Головка блока
Раздел
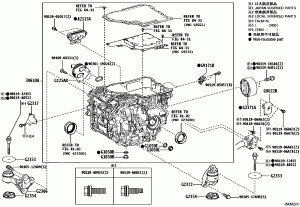
Блок цилиндров
Раздел
Радиатор, шланги
Раздел
Коллекторы
Раздел
Передние привода (шрус)
Раздел
Тормозная магистраль (трубки)
Раздел
Задний бампер и крепеж
Раздел
Кузов передняя часть
Раздел
Торпеда и детали
Раздел
Заглушки
Раздел
Центральная панель и подлокотник
Раздел
Боковая панель
Раздел
Панель крыши стекло заднее
Раздел
Передне сиденье и каркас
Раздел
Задние сидения и каркас
Раздел
Ремни безопасности и детское сиденье
Раздел
Спойлер и брызговики
Раздел
Топливный бак заливная горловина
Раздел
Аккумулятор и кабель
Раздел
Провода и клеммы
Раздел
Приборная панель
Раздел
Датчика, реле, компьютер
Раздел
Инвертер (HEV)
Раздел
Динамики
Раздел
Печка кондиционер управление
Раздел
Шланги радиатора
Раздел
Печка и кондиционер магистраль кондиционера
Раздел
Аккумулятор крепеж
Аккумулятор крепеж
Запчасти
Боковая панель вентиляции
Боковая панель вентиляции
Запчасти
Боковое стекло
Боковое стекло
Запчасти
Боковые молдинги
Боковые молдинги
Запчасти
Внутренние элементы, молдинго двери
Внутренние элементы, молдинго двери
Запчасти
Глушитель
Глушитель
Запчасти
Двигатель в сборе
Двигатель в сборе
Запчасти
Диски и колпаки
Диски и колпаки
Запчасти
Задние молдинги
Задние молдинги
Запчасти
Задний рулевой механизм (4ws)
Задний рулевой механизм (4ws)
Запчасти
Задняя дверь- панель двери и стекло
Задняя дверь- панель двери и стекло
Запчасти
Задняя камера и монитор
Задняя камера и монитор
Запчасти
Задняя оси и ступица
Задняя оси и ступица
Запчасти
Задняя подвеска пружины, амортизаторы
Задняя подвеска пружины, амортизаторы
Запчасти
Капот и передние крылья
Капот и передние крылья
Запчасти
Ковровое покрытие и шумоизоляция
Ковровое покрытие и шумоизоляция
Запчасти
Коленвал и поршни
Коленвал и поршни
Запчасти
Контролер акп
Контролер акп
Запчасти
Коробка передач (HEV или BEV или FCEV)
Коробка передач (HEV или BEV или FCEV)
Запчасти
Кронштейн запасного колеса
Кронштейн запасного колеса
Запчасти
Круиз контроль
Круиз контроль
Запчасти
Крышка багажника и стекло
Крышка багажника и стекло
Запчасти
Крышка ремня грм
Крышка ремня грм
Запчасти
Лампа освещения заднего номерного знака
Лампа освещения заднего номерного знака
Запчасти
Масляный насос
Масляный насос
Запчасти
Масляный радиатор
Масляный радиатор
Запчасти
Молдинги
Молдинги
Запчасти
Обивка потолка
Обивка потолка
Запчасти
Омыватель задний
Омыватель задний
Запчасти
Отделка багажника
Отделка багажника
Запчасти
Очистка воздуха (корпус воздушного фильтра патрубки)
Очистка воздуха (корпус воздушного фильтра патрубки)
Запчасти
Педаль газа
Педаль газа
Запчасти
Передний бампер и детали
Передний бампер и детали
Запчасти
Передняя панель двери и стекло
Передняя панель двери и стекло
Запчасти
Передняя подвеска пружины и амортизаторы
Передняя подвеска пружины и амортизаторы
Запчасти
Подушки безопасности
Подушки безопасности
Запчасти
Помпа
Помпа
Запчасти
Поперечины и защита
Поперечины и защита
Запчасти
Приемник, усилитель, охладитель
Приемник, усилитель, охладитель
Запчасти
Противотуманки
Противотуманки
Запчасти
Радиатор кондиционера
Радиатор кондиционера
Запчасти
Распредвал и клапаны
Распредвал и клапаны
Запчасти
Ремень
Ремень
Запчасти
Решетка радиатора
Решетка радиатора
Запчасти
Салонные лампы
Салонные лампы
Запчасти
Система контроля давления в шинах
Система контроля давления в шинах
Запчасти
Система предотвращения столкновений
Система предотвращения столкновений
Запчасти
Стояночный тормоз колодки троса. (ручник)
Стояночный тормоз колодки троса. (ручник)
Запчасти
Топливная система
Топливная система
Запчасти
Угловая лампа
Угловая лампа
Запчасти
Участок пола
Участок пола
Запчасти
Фильтр масляный
Фильтр масляный
Запчасти
Электронная регулировка высота
Электронная регулировка высота
Запчасти
Электронная система впрыска топлива (efi)
Электронная система впрыска топлива (efi)
Запчасти