catbyvin

Rx Series(Tmmc - TALA15L-CWZGTA

ENGINE 1: 2400CC 16-VALVE DOHC; BODY: WAGON; ATM,MTM: AUTOMATIC TRANSMISSION; GEAR SHIFT TYPE: ATM, 8-SPEED FLOOR SHIFT; DRIVER'S POSITION: LEFT-HAND DRIVE VEHICLES; MODEL MARK: G(MODEL MARK); DESTINATION: UNITED STATES OF AMERICA

Радиатор, шланги
Раздел
Задний мост идифференциал
Раздел
Диски и колпаки
Раздел
Передний бампер и детали
Раздел
Решетка радиатора
Раздел
Кузов передняя часть
Раздел
Торпеда и детали
Раздел
Заглушки
Раздел
Ковровое покрытие и шумоизоляция
Раздел
Центральная панель и подлокотник
Раздел
Боковая панель
Раздел
Панель крыши стекло заднее
Раздел
Отделка багажника
Раздел
Задняя дверь- панель двери и стекло
Раздел
Задние сидения и каркас
Раздел
Таблички салона
Раздел
Салонные лампы
Раздел
Провода и клеммы
Раздел
Приборная панель
Раздел
Датчика, реле, компьютер
Раздел
Печка кондиционер управление
Раздел
Блок цилиндров
Блок цилиндров
Запчасти
Боковая панель вентиляции
Боковая панель вентиляции
Запчасти
Боковое стекло
Боковое стекло
Запчасти
Глушитель
Глушитель
Запчасти
Головка блока
Головка блока
Запчасти
Двигатель в сборе
Двигатель в сборе
Запчасти
Динамики
Динамики
Запчасти
Задняя камера и монитор
Задняя камера и монитор
Запчасти
Задняя оси и ступица
Задняя оси и ступица
Запчасти
Задняя подвеска пружины, амортизаторы
Задняя подвеска пружины, амортизаторы
Запчасти
Капот и передние крылья
Капот и передние крылья
Запчасти
Коллекторы
Коллекторы
Запчасти
Контролер акп
Контролер акп
Запчасти
Кронштейн запасного колеса
Кронштейн запасного колеса
Запчасти
Круиз контроль
Круиз контроль
Запчасти
Крышка багажника и стекло
Крышка багажника и стекло
Запчасти
Лампа освещения заднего номерного знака
Лампа освещения заднего номерного знака
Запчасти
Молдинги
Молдинги
Запчасти
Основные фары
Основные фары
Запчасти
Очистка воздуха (корпус воздушного фильтра патрубки)
Очистка воздуха (корпус воздушного фильтра патрубки)
Запчасти
Педаль газа
Педаль газа
Запчасти
Передние привода (шрус)
Передние привода (шрус)
Запчасти
Передняя панель двери и стекло
Передняя панель двери и стекло
Запчасти
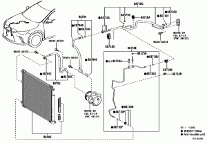
Печка и кондиционер магистраль кондиционера
Печка и кондиционер магистраль кондиционера
Запчасти
Подушки безопасности
Подушки безопасности
Запчасти
Поперечины и защита
Поперечины и защита
Запчасти
Приемник, усилитель, охладитель
Приемник, усилитель, охладитель
Запчасти
Противотуманки
Противотуманки
Запчасти
Раздаточная коробка и дифференциал
Раздаточная коробка и дифференциал
Запчасти
Ремень
Ремень
Запчасти
Система eco-run
Система eco-run
Запчасти
Система контроля давления в шинах
Система контроля давления в шинах
Запчасти
Система предотвращения столкновений
Система предотвращения столкновений
Запчасти
Стояночный тормоз колодки троса. (ручник)
Стояночный тормоз колодки троса. (ручник)
Запчасти
Топливный бак заливная горловина
Топливный бак заливная горловина
Запчасти
Тормозная магистраль (трубки)
Тормозная магистраль (трубки)
Запчасти
Угловая лампа
Угловая лампа
Запчасти
Электронная регулировка высота
Электронная регулировка высота
Запчасти