cat
by
vin
Найти
Каталоги
Главная
MINI · Cooper
Узел
Cooper
Серия: R50
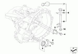
Детали коробки передач GS5-65BH
Запчасти
Картер сцепления и доп.элементы GS5-65BH
Запчасти