catbyvin

Cooper S

Серия: R53

Спорт.торм.механизмы John Cooper Works
Раздел
Спортивное сиденье John Cooper Works
Раздел
Ножные коврики City
Раздел
Карбоновый салон John Cooper Works
Раздел
Декоративная полоса
Раздел
Подстаканник
Раздел
К-т доосн.осветительн.приборами белыми
Раздел
Зап.части д.системы радионавигации
Раздел
Фиксатор для туристического велосипеда
Раздел
Комплект дооснащения телефонной консолью
Раздел
Зарядное устройство MINI, разъем USB
Раздел
Глушитель шума всасыв./сменн.эл.фильтра
Раздел
Топливный бак/фильтр с активиров.углем
Раздел
Водяные шланги системы охлаждения
Раздел
Подвеска двигателя
Раздел
Детали коробки передач GS6-85BG
Раздел
Рем.к-т рез.-мет.шарнира поп.рыч.подв.
Раздел
Привод управления сцеплением
Раздел
Замок колесного болта с адаптером
Раздел
Нижние части Зд Внутр
Раздел
Наружные накладки / декоративные решетки
Раздел
облицовка панели приборов
Раздел
Центральная консоль
Раздел
обшивка двери
Раздел
Монтажный комплект бампера
Раздел
Рем.комплект гнездового корпуса 2-пол.
Раздел
Трубопроводы хладагента
Раздел
Дистанционное радиоуправление
Раздел
CD с дор.картами для системы навигации
CD с дор.картами для системы навигации
Запчасти
CD-чейнджер
CD-чейнджер
Запчасти
DVD с дорожными картами для ссист.навиг.
DVD с дорожными картами для ссист.навиг.
Запчасти
EWS ЭБУ/ПП-блок/кронштейн
EWS ЭБУ/ПП-блок/кронштейн
Запчасти
GA6F21WA - блок управления и доп.эл-ты
GA6F21WA - блок управления и доп.эл-ты
Запчасти
JCW аэродинамический пакет - R50, R53
JCW аэродинамический пакет - R50, R53
Запчасти
JCW кол.с л/с д.V-обр.спицы R133 - 18"
JCW кол.с л/с д.V-обр.спицы R133 - 18"
Запчасти
JCW спойлер на крыше
JCW спойлер на крыше
Запчасти
MINI Yours Customised
MINI Yours Customised
Запчасти
MINI кол.с л/с д.Multi Spoke R108 - 17"
MINI кол.с л/с д.Multi Spoke R108 - 17"
Запчасти
RP компрессор кондиционера
RP компрессор кондиционера
Запчасти
Roof decals
Roof decals
Запчасти
Sportfahrwerk JCW
Sportfahrwerk JCW
Запчасти
Stolen vehicle recovery
Запчасти
Аварийный выключатель бензинового насоса
Аварийный выключатель бензинового насоса
Запчасти
Ам.стойка Пд/повор.опора/подш.ст.колеса
Ам.стойка Пд/повор.опора/подш.ст.колеса
Запчасти
Багажная дверь/система запирания
Багажная дверь/система запирания
Запчасти
Багажник для багажной двери MINI
Багажник для багажной двери MINI
Запчасти
Багажник для лыж на багажной двери MINI
Багажник для лыж на багажной двери MINI
Запчасти
Багажный контейнер алюминий
Багажный контейнер алюминий
Запчасти
Балка мостаЗд/подвеска кол/подш.ступ.кол
Балка мостаЗд/подвеска кол/подш.ступ.кол
Запчасти
Балка переднего моста/поперечный рычаг
Балка переднего моста/поперечный рычаг
Запчасти
Бачок системы омывателей фар
Бачок системы омывателей фар
Запчасти
Бачок стеклоомывателя
Бачок стеклоомывателя
Запчасти
Блок переключателей в центр.консоли
Блок переключателей в центр.консоли
Запчасти
Блок цилиндров/дополнительные элементы
Блок цилиндров/дополнительные элементы
Запчасти
Блок-картер двигателя
Блок-картер двигателя
Запчасти
Боковая обшивка пространства для ног
Боковая обшивка пространства для ног
Запчасти
Бортовой инструмент/ домкрат
Бортовой инструмент/ домкрат
Запчасти
Брызговик
Брызговик
Запчасти
Брызговик Пд
Брызговик Пд
Запчасти
Вакуумный усилитель тормозов
Вакуумный усилитель тормозов
Запчасти
Вентилятор/дополнительные элементы
Вентилятор/дополнительные элементы
Запчасти
Верхний контейнер для багажа
Верхний контейнер для багажа
Запчасти
Витая пружина Зд
Витая пружина Зд
Запчасти
Внутреннее зеркало
Внутреннее зеркало
Запчасти
Водяная помпа сист.охлаждения/термостат
Водяная помпа сист.охлаждения/термостат
Запчасти
Водяной шланг системы охлаждения
Водяной шланг системы охлаждения
Запчасти
Воздуховод
Воздуховод
Запчасти
Вставки в центральной консоли
Вставки в центральной консоли
Запчасти
Вывод плюса аккумулят. в моторном отсеке
Вывод плюса аккумулят. в моторном отсеке
Запчасти
Выключатель НПБ
Выключатель НПБ
Запчасти
Выпускной коллектор с катализатором
Выпускной коллектор с катализатором
Запчасти
Генератор 105 А kompakt
Генератор 105 А kompakt
Запчасти
Гидроагрегат ASC/ЭБУ/кронштейн
Гидроагрегат ASC/ЭБУ/кронштейн
Запчасти
Гидроагрегат DSC/крепление/датчики
Гидроагрегат DSC/крепление/датчики
Запчасти
Гидроусилитель рулевого управления
Гидроусилитель рулевого управления
Запчасти
Главный тормозной цилиндр
Главный тормозной цилиндр
Запчасти
Главный тормозной цилиндр DSC
Главный тормозной цилиндр DSC
Запчасти
Глухая панель радиоприемника
Глухая панель радиоприемника
Запчасти
Гнездовые/ штыревые контакты ELO
Гнездовые/ штыревые контакты ELO
Запчасти
Головка блока цилиндров-доп.элементы
Головка блока цилиндров-доп.элементы
Запчасти
Головка рычага ПП mattchrom
Головка рычага ПП mattchrom
Запчасти
Головка рычага ПП с чехлом, кожа
Головка рычага ПП с чехлом, кожа
Запчасти
Головка рычага переключения передач
Головка рычага переключения передач
Запчасти
Головки рычага ПП
Головки рычага ПП
Запчасти
Датчик износа торм.накладки колеса Зд
Датчик износа торм.накладки колеса Зд
Запчасти
Датчик износа торм.накладки пер.колеса
Датчик износа торм.накладки пер.колеса
Запчасти
Датчик регулировки угла наклона фар
Датчик регулировки угла наклона фар
Запчасти
Датчики
Датчики
Запчасти
Дверной светодиодный проектор
Дверной светодиодный проектор
Запчасти
Двигатель с вакуумной сист.управления
Двигатель с вакуумной сист.управления
Запчасти
Демпфер крут.колебаний ременного прив.
Демпфер крут.колебаний ременного прив.
Запчасти
Держатель Action-Cam MINI
Держатель Action-Cam MINI
Запчасти
Держатель CD, на 4 диска
Держатель CD, на 4 диска
Запчасти
Держатель ремня безопасности
Держатель ремня безопасности
Запчасти
Дет. сиденье MINI Baby Seat 0+ ISOFIX
Дет. сиденье MINI Baby Seat 0+ ISOFIX
Запчасти
Дет.коляска MINI Buggy chrom-marine,прин
Дет.коляска MINI Buggy chrom-marine,прин
Запчасти
Детали PDA Navigation
Детали PDA Navigation
Запчасти
Детали SA 644 в багажнике
Детали SA 644 в багажнике
Запчасти
Детали SA 644 в центральной консоли
Детали SA 644 в центральной консоли
Запчасти
Детали Siemens Economy
Детали Siemens Economy
Запчасти
Детали амортизационной стойки Зд
Детали амортизационной стойки Зд
Запчасти
Детали антенны на крыше
Детали антенны на крыше
Запчасти
Детали блока предохранителей в мот.отсек
Детали блока предохранителей в мот.отсек
Запчасти
Детали блока предохранителей в салоне
Детали блока предохранителей в салоне
Запчасти
Детали генератора на 105 А
Детали генератора на 105 А
Запчасти
Детали датчика интенсивности дождя
Детали датчика интенсивности дождя
Запчасти
Детали динамика Harman Kardon
Детали динамика Harman Kardon
Запчасти
Детали динамика Stereo
Детали динамика Stereo
Запчасти
Детали из шумопогл.матер.в полост.боков.
Детали из шумопогл.матер.в полост.боков.
Запчасти
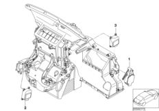
Детали корпуса сист.отопления и кондиц.
Детали корпуса сист.отопления и кондиц.
Запчасти
Детали ксеноновой фары
Детали ксеноновой фары
Запчасти
Детали люка с подъемно-сдвижной крышкой
Детали люка с подъемно-сдвижной крышкой
Запчасти
Детали многоканальной телеф.антенны
Детали многоканальной телеф.антенны
Запчасти
Детали очистителя заднего стекла
Детали очистителя заднего стекла
Запчасти
Детали разнесенной антенны
Детали разнесенной антенны
Запчасти
Детали системы омывателей фар
Детали системы омывателей фар
Запчасти
Детали спорт.сиденья John Cooper Works
Детали спорт.сиденья John Cooper Works
Запчасти
Детали спорт.ход.части J.Cooper Works
Детали спорт.ход.части J.Cooper Works
Запчасти
Детали стеклоомывателя
Детали стеклоомывателя
Запчасти
Детали устр.громкой связи Bluetooth
Детали устр.громкой связи Bluetooth
Запчасти
Детали щитка передка
Детали щитка передка
Запчасти
Детское сид.MINI Junior Seat I-II
Детское сид.MINI Junior Seat I-II
Запчасти
Детское сид.MINI Junior Seat I-II ISOFIX
Детское сид.MINI Junior Seat I-II ISOFIX
Запчасти
Детское сиденье BMW Baby Seat 0+
Детское сиденье BMW Baby Seat 0+
Запчасти
Детское сиденье MINI Junior Seat II-III
Детское сиденье MINI Junior Seat II-III
Запчасти
Доосн.карманом для сетки спинки сиденья
Доосн.карманом для сетки спинки сиденья
Запчасти
Доосн.кожаной об.спортивного сид.STRIPES
Доосн.кожаной об.спортивного сид.STRIPES
Запчасти
Доосн.кожаной обивк.спортивного сид.MONO
Доосн.кожаной обивк.спортивного сид.MONO
Запчасти
Доосн.кожаной обивк.спортивного сид.TWIN
Доосн.кожаной обивк.спортивного сид.TWIN
Запчасти
Доосн.кожаной обивкой с обогревом сид.
Доосн.кожаной обивкой с обогревом сид.
Запчасти
Доосн.кожаной обивкой, модель MONO/ TWIN
Доосн.кожаной обивкой, модель MONO/ TWIN
Запчасти
Доосн.кожаной обивкой, модель STRIPES
Доосн.кожаной обивкой, модель STRIPES
Запчасти
Доосн.отд.для мелк.вещ.в центр.консоли
Доосн.отд.для мелк.вещ.в центр.консоли
Запчасти
Доосн.складывающейся крышей с э/приводом
Доосн.складывающейся крышей с э/приводом
Запчасти
Дооснащение бортовым компьютером
Дооснащение бортовым компьютером
Запчасти
Дооснащение кожухом наружного зеркала
Дооснащение кожухом наружного зеркала
Запчасти
Дооснащение перчаточным ящиком
Дооснащение перчаточным ящиком
Запчасти
Дооснащение радиоприемником Boost
Дооснащение радиоприемником Boost
Запчасти
Дооснащение радиоприемником Boost CD
Дооснащение радиоприемником Boost CD
Запчасти
Дооснащение радиоприемником Boost MD
Дооснащение радиоприемником Boost MD
Запчасти
Дооснащение салона Chrome Line
Дооснащение салона Chrome Line
Запчасти
Дооснащение фонарями Facelift
Дооснащение фонарями Facelift
Запчасти
Дополнит.элементы пола багажника
Дополнит.элементы пола багажника
Запчасти
Дор.карты д.портативной сист.навигации
Дор.карты д.портативной сист.навигации
Запчасти
Жгут проводов панели приборов
Жгут проводов панели приборов
Запчасти
Жгуты проводов двери
Жгуты проводов двери
Запчасти
Заднее сиденье Sport John Cooper Works
Заднее сиденье Sport John Cooper Works
Запчасти
Запрограммированный ЭБУ DME MINI
Запрограммированный ЭБУ DME MINI
Запчасти
Зарядное у-во для акк.батареи
Зарядное у-во для акк.батареи
Запчасти
Защитная пленка MINI, к-т для СТОА
Защитная пленка MINI, к-т для СТОА
Запчасти
Защитный кожух
Защитный кожух
Запчасти
Защитный кожух колесной ниши
Защитный кожух колесной ниши
Запчасти
Испаритель/ предохранительный клапан
Испаритель/ предохранительный клапан
Запчасти
К-т Driver utility
К-т Driver utility
Запчасти
К-т доосн.декор.накл.на порог нерж.ст.
К-т доосн.декор.накл.на порог нерж.ст.
Запчасти
К-т доосн.форсунками стеклоом.с подогр.
К-т доосн.форсунками стеклоом.с подогр.
Запчасти
К-т дооснащения Gear Shift Indicator
К-т дооснащения Gear Shift Indicator
Запчасти
К-т модерниз. дополнит. приборов
К-т модерниз. дополнит. приборов
Запчасти
К-т накладок на педали из нерж.стали
К-т накладок на педали из нерж.стали
Запчасти
К-т подшипн.ступицы колеса Зд/Value Line
К-т подшипн.ступицы колеса Зд/Value Line
Запчасти
Капот/дополнительные элементы
Капот/дополнительные элементы
Запчасти
Карбоновые наружные компоненты JCW
Карбоновые наружные компоненты JCW
Запчасти
Каркас кузова
Каркас кузова
Запчасти
Каркас подушки зад.сид.с люком в спинке
Каркас подушки зад.сид.с люком в спинке
Запчасти
Каркас подушки переднего сиденья
Каркас подушки переднего сиденья
Запчасти
Каркас спинки переднего сиденья
Каркас спинки переднего сиденья
Запчасти
Клапан вентиляции топливного бака
Клапан вентиляции топливного бака
Запчасти
Кожаный салон John Cooper Works
Кожаный салон John Cooper Works
Запчасти
Колесный диск MINI сталь, дизайн 12
Колесный диск MINI сталь, дизайн 12
Запчасти
Колесо в сб.зим.Double Spoke R87 - 16"
Колесо в сб.зим.Double Spoke R87 - 16"
Запчасти
Колесо в сб.зим.Flame Spoke R97 - 17"
Колесо в сб.зим.Flame Spoke R97 - 17"
Запчасти
Колесо в сб.зим.S-Winder R102 - 16"
Колесо в сб.зим.S-Winder R102 - 16"
Запчасти
Колпачок для вентиля
Колпачок для вентиля
Запчасти
Комбинация приборов пакета Chrono
Комбинация приборов пакета Chrono
Запчасти
Комбинация приборов с системой навигации
Комбинация приборов с системой навигации
Запчасти
Компл.дооснащения фары дальнего света
Компл.дооснащения фары дальнего света
Запчасти
Комплект доосн.головкой рычага ПП
Комплект доосн.головкой рычага ПП
Запчасти
Комплект дооснащ. бортового компьютера
Комплект дооснащ. бортового компьютера
Запчасти
Комплект дооснащ.противотуманной фары
Комплект дооснащ.противотуманной фары
Запчасти
Комплект дооснащ.сист.омывателей фар
Комплект дооснащ.сист.омывателей фар
Запчасти
Комплект дооснащ.сист.поддерж.зад.скор.
Комплект дооснащ.сист.поддерж.зад.скор.
Запчасти
Комплект дооснащения CD-чейнджера
Комплект дооснащения CD-чейнджера
Запчасти
Комплект дооснащения PDC
Комплект дооснащения PDC
Запчасти
Комплект дооснащения Sound Modul
Комплект дооснащения Sound Modul
Запчасти
Комплект дооснащения дополнит.приборов
Комплект дооснащения дополнит.приборов
Запчасти
Комплект дооснащения ксеноновой фары
Комплект дооснащения ксеноновой фары
Запчасти
Комплект дооснащения обогрева сиденья Пд
Комплект дооснащения обогрева сиденья Пд
Запчасти
Комплект дооснащения подлокотника Пд
Комплект дооснащения подлокотника Пд
Запчасти
Комплект дооснащения сигнализации
Комплект дооснащения сигнализации
Запчасти
Комплект обновления John Cooper Works
Комплект обновления John Cooper Works
Запчасти
Комплект фиксаторов колесного болта
Комплект фиксаторов колесного болта
Запчасти
Компьютер сист.нав.с CD-ROM/видеомодуль
Компьютер сист.нав.с CD-ROM/видеомодуль
Запчасти
Конденсатор кондиционера
Конденсатор кондиционера
Запчасти
Контактная система
Контактная система
Запчасти
Контактная система MLK
Контактная система MLK
Запчасти
Контейнер для багажа
Контейнер для багажа
Запчасти
Корпус дроссельной заслонки
Корпус дроссельной заслонки
Запчасти
Корпус предохранителя/держатель реле
Корпус предохранителя/держатель реле
Запчасти
Краски
Краски
Запчасти
Крепление КПП
Крепление КПП
Запчасти
Крепление батареи и дополнит. элементы
Крепление батареи и дополнит. элементы
Запчасти
Крепление гоночного велосипеда
Крепление гоночного велосипеда
Запчасти
Крепление для лыж и сноуборда выдвижное
Крепление для лыж и сноуборда выдвижное
Запчасти
Крепление доски для виндсерфинга
Крепление доски для виндсерфинга
Запчасти
Крепление коробки передач
Крепление коробки передач
Запчасти
Крепление/дополнит.элементы КПП
Крепление/дополнит.элементы КПП
Запчасти
Кронштейн Зд
Кронштейн Зд
Запчасти
Кронштейн Пд
Кронштейн Пд
Запчасти
Кронштейн передка
Кронштейн передка
Запчасти
Крышка блока ГРМ
Крышка блока ГРМ
Запчасти
Крышка головки блока цилиндров
Крышка головки блока цилиндров
Запчасти
Кузовные вставки, доп.элементы
Кузовные вставки, доп.элементы
Запчасти
Л/с диск MINI 5 Star Blaster 103
Л/с диск MINI 5 Star Blaster 103
Запчасти
Л/с диск MINI S Winter 102
Л/с диск MINI S Winter 102
Запчасти
Л/с диск MINI с 5-луч.звездой, дизайн 91
Л/с диск MINI с 5-луч.звездой, дизайн 91
Запчасти
Л/с диск MINI с 7 спицами, дизайн 92
Л/с диск MINI с 7 спицами, дизайн 92
Запчасти
М/ф рулевое колесо с НПБ и стептроником
М/ф рулевое колесо с НПБ и стептроником
Запчасти
Маслопроводы гидроусилителя рул.управл.
Маслопроводы гидроусилителя рул.управл.
Запчасти
Масляный картер/маслоизмерит.приспособл.
Масляный картер/маслоизмерит.приспособл.
Запчасти
Масляный резервуар/детали
Масляный резервуар/детали
Запчасти
Масляный фильтр смаз.сист.,теплообменник
Масляный фильтр смаз.сист.,теплообменник
Запчасти
Маховик/двухмассовый маховик
Маховик/двухмассовый маховик
Запчасти
Механизм переключения передач МКПП
Механизм переключения передач МКПП
Запчасти
Механизм перемещения стекла двери Пд
Механизм перемещения стекла двери Пд
Запчасти
Механические соединительные элементы
Механические соединительные элементы
Запчасти
Микрофильтр/детали корпуса
Микрофильтр/детали корпуса
Запчасти
Многофункциональное рулевое колесо с НПБ
Многофункциональное рулевое колесо с НПБ
Запчасти
НПБ
НПБ
Запчасти
Набивка и обивка базового сиденья Зд
Набивка и обивка базового сиденья Зд
Запчасти
Набивка и обивка передн.сиденья
Набивка и обивка передн.сиденья
Запчасти
Нагнетатель
Нагнетатель
Запчасти
Нагревательный элемент/дополнит.элементы
Нагревательный элемент/дополнит.элементы
Запчасти
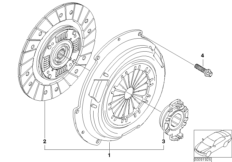
Нажимной диск/ведомый диск сцепления
Нажимной диск/ведомый диск сцепления
Запчасти
Накладка внутреннего зеркала задн.вида
Накладка внутреннего зеркала задн.вида
Запчасти
Накладка порога
Накладка порога
Запчасти
Накладки и уплотнения двери Пд
Накладки и уплотнения двери Пд
Запчасти
Насадка на выпуск.трубу, хром
Насадка на выпуск.трубу, хром
Запчасти
Насос гидроусилителя рулевого управления
Насос гидроусилителя рулевого управления
Запчасти
Обивка подушки сиденья MINI дизайн Seven
Обивка подушки сиденья MINI дизайн Seven
Запчасти
Облицовка Зд
Облицовка Зд
Запчасти
Облицовка Пд
Облицовка Пд
Запчасти
Облицовка днища кузова Зд
Облицовка днища кузова Зд
Запчасти
Облицовка днища кузова Пд
Облицовка днища кузова Пд
Запчасти
Облицовка пола багажного отделения
Облицовка пола багажного отделения
Запчасти
Облицовка стойки A / B / C / D Внутр
Облицовка стойки A / B / C / D Внутр
Запчасти
Облицовка, декор.элементы Зд
Облицовка, декор.элементы Зд
Запчасти
Облицовка, декор.элементы Пд
Облицовка, декор.элементы Пд
Запчасти
Обтекатели наружных зеркал - R5x, R6x
Обтекатели наружных зеркал - R5x, R6x
Запчасти
Огнетушитель/ кроншейн
Огнетушитель/ кроншейн
Запчасти
Опора аморт.ст./изол.прокл.пруж./доп.эл.
Опора аморт.ст./изол.прокл.пруж./доп.эл.
Запчасти
Опорный кронштейн педали
Опорный кронштейн педали
Запчасти
Основной жгут проводов
Основной жгут проводов
Запчасти
Остекление
Остекление
Запчасти
Отд.крыши стандартная крыша
Отд.крыши стандартная крыша
Запчасти
Отд.крыши стеклянная крыша
Отд.крыши стеклянная крыша
Запчасти
Отделение Пд
Отделение Пд
Запчасти
Отдельные приборы на рулевой колонке
Отдельные приборы на рулевой колонке
Запчасти
Охладитель наддувочного воздуха
Охладитель наддувочного воздуха
Запчасти
Охлаждающая жидкость
Охлаждающая жидкость
Запчасти
Панель управления автом.сист.кондицион.
Панель управления автом.сист.кондицион.
Запчасти
Панель управления отопителя
Панель управления отопителя
Запчасти
Переднее крыло
Переднее крыло
Запчасти
Передний ремень безопасности до 10/03
Передний ремень безопасности до 10/03
Запчасти
Передний ремень безопасности с 10/03
Передний ремень безопасности с 10/03
Запчасти
Переключатель на рулевой колонке
Переключатель на рулевой колонке
Запчасти
Переключатель регулировки зеркал
Переключатель регулировки зеркал
Запчасти
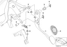
Переключатель сигнала выжатого сцепления
Переключатель сигнала выжатого сцепления
Запчасти
Переосн.рул.кол.MFL =>спорт.рул.кол.MFL
Переосн.рул.кол.MFL =>спорт.рул.кол.MFL
Запчасти
Переосн.рул.колесо => спорт.рул.колесо
Переосн.рул.колесо => спорт.рул.колесо
Запчасти
Пластинчатые контакты/пружинящ. контакты
Пластинчатые контакты/пружинящ. контакты
Запчасти
Пленка Challenge
Пленка Challenge
Запчасти
Пленка Rallye Monte Carlo
Пленка Rallye Monte Carlo
Запчасти
Пленка Стартовый номер 37
Пленка Стартовый номер 37
Запчасти
Подголовник заднего сиденья
Подголовник заднего сиденья
Запчасти
Подголовник переднего сиденья
Подголовник переднего сиденья
Запчасти
Поддон багажного отделения
Поддон багажного отделения
Запчасти
Подъемник для велосипеда
Подъемник для велосипеда
Запчасти
Помехоподавляющий фильтр
Помехоподавляющий фильтр
Запчасти
Помощь при разгоне
Помощь при разгоне
Запчасти
Поршень кривошипно-шатунного механизма
Поршень кривошипно-шатунного механизма
Запчасти
Потолок
Потолок
Запчасти
Предохранители
Предохранители
Запчасти
Привод двери/замок двери Пд
Привод двери/замок двери Пд
Запчасти
Привод педали аксел./модуль педали акс.
Привод педали аксел./модуль педали акс.
Запчасти
Привод тормозных механизмов
Привод тормозных механизмов
Запчасти
Приводная цепь механ.газораспределения
Приводная цепь механ.газораспределения
Запчасти
Приводной вал колеса Л Пд
Приводной вал колеса Л Пд
Запчасти
Приводной вал колеса П Пд
Приводной вал колеса П Пд
Запчасти
Принимающий модуль GPS/ антенна GPS
Принимающий модуль GPS/ антенна GPS
Запчасти
Пробки/заглушки
Пробки/заглушки
Запчасти
Провод батареи/токораспределитель Зд
Провод батареи/токораспределитель Зд
Запчасти
Провода аудиосистемы
Провода аудиосистемы
Запчасти
Противовес, свинец
Противовес, свинец
Запчасти
Пучок проводов отопителя/кондиционера
Пучок проводов отопителя/кондиционера
Запчасти
Радиатор водян.охлажд./кожух вентилятора
Радиатор водян.охлажд./кожух вентилятора
Запчасти
Радиоприемник Boost
Радиоприемник Boost
Запчасти
Радиоприемник Boost CD
Радиоприемник Boost CD
Запчасти
Радиоприемник Boost MD
Радиоприемник Boost MD
Запчасти
Радиоприемник Wave
Радиоприемник Wave
Запчасти
Различные гребешковые соединители
Различные гребешковые соединители
Запчасти
Различные детали для ремонта проводов
Различные детали для ремонта проводов
Запчасти
Различные детали кузова
Различные детали кузова
Запчасти
Различные дополнит.комплекты проводов
Различные дополнит.комплекты проводов
Запчасти
Различные жгуты проводов
Различные жгуты проводов
Запчасти
Различные кабельные втулки
Различные кабельные втулки
Запчасти
Различные огни
Различные огни
Запчасти
Различные переключатели
Различные переключатели
Запчасти
Различные тросы/валы
Различные тросы/валы
Запчасти
Распорка стоек
Распорка стоек
Запчасти
Распредвал мех.клап.газораспред./смазка
Распредвал мех.клап.газораспред./смазка
Запчасти
Расширит.бачок/трубопроводы
Расширит.бачок/трубопроводы
Запчасти
Резиновый коврик
Резиновый коврик
Запчасти
Реле DME K6300
Реле DME K6300
Запчасти
Реле блокировки рычага селектора I01148
Реле блокировки рычага селектора I01148
Запчасти
Реле вентилятора ЭБУ рул.управл. K69923
Реле вентилятора ЭБУ рул.управл. K69923
Запчасти
Реле вентилятора отопителя K4
Реле вентилятора отопителя K4
Запчасти
Реле двиг.стеклооч. быстр/медл I01136
Реле двиг.стеклооч. быстр/медл I01136
Запчасти
Реле двиг.стеклооч. вкл/выкл I01137
Реле двиг.стеклооч. вкл/выкл I01137
Запчасти
Реле зарядного гнезда разъема I01150
Реле зарядного гнезда разъема I01150
Запчасти
Реле компрессора кондиционера K19
Реле компрессора кондиционера K19
Запчасти
Реле насоса омывателя задн.стекла K119
Реле насоса омывателя задн.стекла K119
Запчасти
Реле насоса стеклоомыв. лоб.стекла K5
Реле насоса стеклоомыв. лоб.стекла K5
Запчасти
Реле обогрева лобового стекла K416
Реле обогрева лобового стекла K416
Запчасти
Реле омывателей фар K6
Реле омывателей фар K6
Запчасти
Реле противотуманной фары K47
Реле противотуманной фары K47
Запчасти
Реле топливного насоса K96
Реле топливного насоса K96
Запчасти
Реле э/вентилятора, скорость 2 I01135
Реле э/вентилятора, скорость 2 I01135
Запчасти
Реле электровентилятора I01152
Реле электровентилятора I01152
Запчасти
Релинг/поперечина
Релинг/поперечина
Запчасти
Рем.к-т для тонкостенных резьб.вставок
Рем.к-т для тонкостенных резьб.вставок
Запчасти
Рем.комплект гнездового корпуса 12-пол.
Рем.комплект гнездового корпуса 12-пол.
Запчасти
Рем.комплект гнездового корпуса 3-пол.
Рем.комплект гнездового корпуса 3-пол.
Запчасти
Рем.комплект для восстановления резьбы
Рем.комплект для восстановления резьбы
Запчасти
Ременный привод водяной помпы/генератора
Ременный привод водяной помпы/генератора
Запчасти
Ремень безопасности Зд
Ремень безопасности Зд
Запчасти
Ремкомплекты заднего стабилизатора
Ремкомплекты заднего стабилизатора
Запчасти
Ремонтный провод НПБ
Ремонтный провод НПБ
Запчасти
Ремонтный провод основн.жгута проводов
Ремонтный провод основн.жгута проводов
Запчасти
Рукоятка рычага ручного тормоза, хром
Рукоятка рычага ручного тормоза, хром
Запчасти
Рукоятка рычага стоян.тормоза/чехол кожа
Рукоятка рычага стоян.тормоза/чехол кожа
Запчасти
Рул.колонка-нижн.секция вала рул.упр.
Рул.колонка-нижн.секция вала рул.упр.
Запчасти
Рулевое колесо кожа Bicolor
Рулевое колесо кожа Bicolor
Запчасти
Рулевое колесо с НПБ и стептроником
Рулевое колесо с НПБ и стептроником
Запчасти
Рулевое колесо с НПБ не многофункцион.
Рулевое колесо с НПБ не многофункцион.
Запчасти
Рулевые тяги/тяги рулевой трапеции
Рулевые тяги/тяги рулевой трапеции
Запчасти
Ручка рычага ст.тормоза под цвет авт.
Ручка рычага ст.тормоза под цвет авт.
Запчасти
Ручка рычага стояночного тормоза
Ручка рычага стояночного тормоза
Запчасти
Рычаг переключения передач, хром
Рычаг переключения передач, хром
Запчасти
Рычаг стояночного тормоза
Рычаг стояночного тормоза
Запчасти
Светильники освещения салона в потолке
Светильники освещения салона в потолке
Запчасти
Светодиодный карманный фонарь MINI
Светодиодный карманный фонарь MINI
Запчасти
Свеча заж./провод выс.напр./катушка заж.
Свеча заж./провод выс.напр./катушка заж.
Запчасти
Свидетельство соответствия ЕС
Свидетельство соответствия ЕС
Запчасти
Связка лонжерона и поперечной балки
Связка лонжерона и поперечной балки
Запчасти
Сдвоенные приборы на рулевой колонке
Сдвоенные приборы на рулевой колонке
Запчасти
Сервисный к-т торм.дисков / Value Line
Сервисный к-т торм.дисков / Value Line
Запчасти
Сервисный справочник MINI
Сервисный справочник MINI
Запчасти
Сервопривод сист.отопления и кондиц.
Сервопривод сист.отопления и кондиц.
Запчасти
Сигнализация авар.сближен.при парк.(PDC)
Сигнализация авар.сближен.при парк.(PDC)
Запчасти
Сигнализация авар.сближения при парковке
Сигнализация авар.сближения при парковке
Запчасти
Сиденье Пд направляющая сиденья
Сиденье Пд направляющая сиденья
Запчасти
Сист.возд. фильтра John Cooper Works
Сист.возд. фильтра John Cooper Works
Запчасти
Сист.охран.сигнализ.с радиосист.охр.сал.
Сист.охран.сигнализ.с радиосист.охр.сал.
Запчасти
Система Mobility
Система Mobility
Запчасти
Система вентиляц.картера/маслоотделитель
Система вентиляц.картера/маслоотделитель
Запчасти
Система впуска
Система впуска
Запчасти
Система выпуска ОГ Зд
Система выпуска ОГ Зд
Запчасти
Система замков передней двери
Система замков передней двери
Запчасти
Система навигации
Система навигации
Запчасти
Система охлаждения наддувочного воздуха
Система охлаждения наддувочного воздуха
Запчасти
Складная защита от солнца
Складная защита от солнца
Запчасти
Складная крыша с электропр., запчасти
Складная крыша с электропр., запчасти
Запчасти
Скоба ручки
Скоба ручки
Запчасти
Смазочная система/маслян.насос с прив.
Смазочная система/маслян.насос с прив.
Запчасти
Солнечный датчик
Солнечный датчик
Запчасти
Солнцезащитная пленка
Солнцезащитная пленка
Запчасти
Солнцезащитные козырьки
Солнцезащитные козырьки
Запчасти
Сопла/накладки
Сопла/накладки
Запчасти
Сопротивление/датчик температуры
Сопротивление/датчик температуры
Запчасти
Спидометр/тахометр, панель приборов
Спидометр/тахометр, панель приборов
Запчасти
Спорт.рулевое колесо John Cooper Works
Спорт.рулевое колесо John Cooper Works
Запчасти
Спорт.рулевое колесо с НПБ стептроник
Спорт.рулевое колесо с НПБ стептроник
Запчасти
Ср.подлокотник с отделением д.мелк.вещ.
Ср.подлокотник с отделением д.мелк.вещ.
Запчасти
Стабилизатор Пд
Стабилизатор Пд
Запчасти
Стартер
Стартер
Запчасти
Стекло зеркала асферич.с обогревом - R50
Стекло зеркала асферич.с обогревом - R50
Запчасти
Стеклоочиститель авт.с правым рулем
Стеклоочиститель авт.с правым рулем
Запчасти
Стыковой соединитель с кембриком
Стыковой соединитель с кембриком
Запчасти
Сумка с аварийными принадлежностями
Сумка с аварийными принадлежностями
Запчасти
Сумка-холодильник
Сумка-холодильник
Запчасти
Тент кузова
Тент кузова
Запчасти
Теплоизоляция
Теплоизоляция
Запчасти
Топливный насос/датчик уровня наполнения
Топливный насос/датчик уровня наполнения
Запчасти
Топливный фильтр/датчик уровня наполн.П
Топливный фильтр/датчик уровня наполн.П
Запчасти
Топливопровод-форсунка
Топливопровод-форсунка
Запчасти
Топливопровод/трубопр.подачи наруж.возд.
Топливопровод/трубопр.подачи наруж.возд.
Запчасти
Тормозной диск переднего колеса с отв.
Тормозной диск переднего колеса с отв.
Запчасти
Трубопровод тормозного привода Зд
Трубопровод тормозного привода Зд
Запчасти
Трубопровод тормозного привода Пд с ASC
Трубопровод тормозного привода Пд с ASC
Запчасти
Трубопровод тормозного привода Пд с DSC
Трубопровод тормозного привода Пд с DSC
Запчасти
Тюнинговый к-т John Cooper Works 200 HP
Тюнинговый к-т John Cooper Works 200 HP
Запчасти
Тюнинговый к-т John Cooper Works 210 HP
Тюнинговый к-т John Cooper Works 210 HP
Запчасти
Универсальное покрывало для зад.сидений
Универсальное покрывало для зад.сидений
Запчасти
Универсальный фиксатор
Универсальный фиксатор
Запчасти
Усилитель/кроншт.сист.HiFi Harman Kard.
Усилитель/кроншт.сист.HiFi Harman Kard.
Запчасти
Фанфарный звуковой сигнал
Фанфарный звуковой сигнал
Запчасти
Фара
Фара
Запчасти
Фасонный коврик багажного отделения
Фасонный коврик багажного отделения
Запчасти
Фиксатор для лыж/сноуборда
Фиксатор для лыж/сноуборда
Запчасти
Фиксатор для сноуборда
Фиксатор для сноуборда
Запчасти
Фонарь указателя поворота Пд/Бок
Фонарь указателя поворота Пд/Бок
Запчасти
Формуляр MINI
Формуляр MINI
Запчасти
Футляр для бортового журнала MINI
Футляр для бортового журнала MINI
Запчасти
Футляр для зонта вместе с зонтом
Футляр для зонта вместе с зонтом
Запчасти
Цепи противоскольжения - Comfort
Цепи противоскольжения - Comfort
Запчасти
Цоколь реле
Цоколь реле
Запчасти
Чехол рычага ПП с зажимным кольцом
Чехол рычага ПП с зажимным кольцом
Запчасти
Шатун кривошипно-шатунного механизма
Шатун кривошипно-шатунного механизма
Запчасти
Шильдик "Reifendruck"
Шильдик "Reifendruck"
Запчасти
Шильдик с данными о топливе
Шильдик с данными о топливе
Запчасти
Шильдик с данными хладагента
Шильдик с данными хладагента
Запчасти
Шланги охлаждающей жидкости
Шланги охлаждающей жидкости
Запчасти
Штекер диагностического разъема
Штекер диагностического разъема
Запчасти
Щит передка
Щит передка
Запчасти
ЭБУ дистанционного радиоуправления
ЭБУ дистанционного радиоуправления
Запчасти
ЭБУ и модули кузова
ЭБУ и модули кузова
Запчасти
Электрические детали НПБ
Электрические детали НПБ
Запчасти
Электронная система управления КПП
Электронная система управления КПП
Запчасти
Электронные компоненты ксеноновых фар
Электронные компоненты ксеноновых фар
Запчасти
Электронные часы
Электронные часы
Запчасти
Элементы внутреннего оснащения
Элементы внутреннего оснащения
Запчасти
Элементы крепл.компрессора кондиционера
Элементы крепл.компрессора кондиционера
Запчасти
Элементы крепления CD-чейнджера
Элементы крепления CD-чейнджера
Запчасти
Эмблемы / надписи
Эмблемы / надписи
Запчасти
боковая обшивка задняя
боковая обшивка задняя
Запчасти
вещевой ящик
вещевой ящик
Запчасти
витая пружина передняя
витая пружина передняя
Запчасти
головка блока цилиндров
головка блока цилиндров
Запчасти
детали передка кузова
детали передка кузова
Запчасти
детали спортивного сиденья Recaro
детали спортивного сиденья Recaro
Запчасти
детали стартера
детали стартера
Запчасти
жгут проводов двигателя
жгут проводов двигателя
Запчасти
звукоизоляция
звукоизоляция
Запчасти
кривош.-шат.мех.-колен.вал/ вклад.подш.
кривош.-шат.мех.-колен.вал/ вклад.подш.
Запчасти
крыша
крыша
Запчасти
наружное зеркало заднего вида
наружное зеркало заднего вида
Запчасти
облицовка багажной двери
облицовка багажной двери
Запчасти
облицовка днища
облицовка днища
Запчасти
одновременное запирание
одновременное запирание
Запчасти
опора панели приборов
опора панели приборов
Запчасти
планка швеллера / накладка порога
планка швеллера / накладка порога
Запчасти
подъемно-сдвижная крышка люка
подъемно-сдвижная крышка люка
Запчасти
полка за задним сиденьем
полка за задним сиденьем
Запчасти
провод батареи
провод батареи
Запчасти
радиоприемник Wave Mini
радиоприемник Wave Mini
Запчасти
рулевая колонка
рулевая колонка
Запчасти
стекло зеркала
стекло зеркала
Запчасти
фары противотуманные
фары противотуманные
Запчасти