SINTRA
ВАКУУМНАЯ ЕМКОСТЬ И ВАКУУМНЫЙ ШЛАНГ
Запчасти
ВОЗДУХОПРОВОДЫ
Запчасти
ВОЗДУХОПРОВОДЫ (ПРОДОЛЖ.)
Запчасти
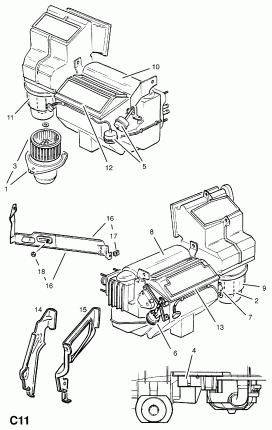
ОБОЛОЧКА ОБОГРЕВАТЕЛЯ
Раздел
ОБОЛОЧКА ОБОГРЕВАТЕЛЯ (ПРОДОЛЖ.)
Раздел
ОРГАНЫ УПРАВЛЕНИЯ ОБОГРЕВАТЕЛЯ
Запчасти
ШЛАНГИ ОБОГРЕВАТЕЛЯ И КРЕПЛЕНИЯ
Запчасти
ШЛАНГИ ОБОГРЕВАТЕЛЯ И КРЕПЛЕНИЯ (ПРОДОЛЖ.)
Запчасти
ЭЛЕКТРОДВИГАТЕЛЬ И КОРПУС ВЕНТИЛЯТОРА
Запчасти