cat
by
vin
Найти
Каталоги
Главная
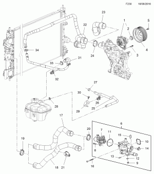
OPEL · ASTRA-J
Узел
ASTRA-J
ВЕНТИЛЯТОР И ПРИВОД
Раздел
ВОДЯНОЙ НАСОС И ФИТИНГИ
Раздел
ВСПОМОГАТЕЛЬНЫЙ ВОДЯНОЙ НАСОС
Раздел
МОНТАЖНЫЕ ДЕТАЛИ РАДИАТОРА
Запчасти
НАПОРНЫЙ БАК
Запчасти
ОБТЕКАТЕЛЬ РАДИАТОРА
Раздел
РАДИАТОР
Раздел
ТЕРМОСТАТ
Раздел
ТЕРМОСТАТ, КОРПУС И ВЫПУСКНОЙ ВОДЯНОЙ КАНАЛ
Раздел
ШЛАНГИ И ТРУБКИ
Раздел