FRONTERA-A
БАК РУЛЕВОГО ПРИВОДА С УСИЛИТЕЛЕМ
Запчасти
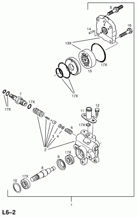
НАСОС РУЛЕВОГО ПРИВОДА С УСИЛИТЕЛЕМ
Раздел
НАСОС РУЛЕВОГО ПРИВОДА С УСИЛИТЕЛЕМ (ПРОДОЛЖ.)
Раздел
РЕЛЕЙНЫЙ РЫЧАГ РУЛЕВОГО УПРАВЛЕНИЯ
Запчасти
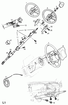
РУЛЕВАЯ КОЛОНКА
Раздел
РУЛЕВАЯ КОЛОНКА (ПРОДОЛЖ.)
Раздел
РУЛЕВАЯ СОШКА
Запчасти
РУЛЕВАЯ ЦАПФА
Запчасти
РУЛЕВОЕ КОЛЕСО
Запчасти
РУЛЕВОЙ МЕХАНИЗМ (ЗАМЕНА)
Раздел
РУЛЕВОЙ ПРИВОД
Запчасти
СОЕДИНИТЕЛЬНАЯ ТЯГА РУЛЕВОГО УПРАВЛЕНИЯ
Запчасти
ТРУБКИ И ШЛАНГИ
Раздел
ТРУБКИ И ШЛАНГИ (ПРОДОЛЖ.)
Раздел