CORSA-A
БЛОК ТЕМПЕРАТУРЫ ВОДЫ ДВИГАТЕЛЯ - ДАТЧИК
Запчасти
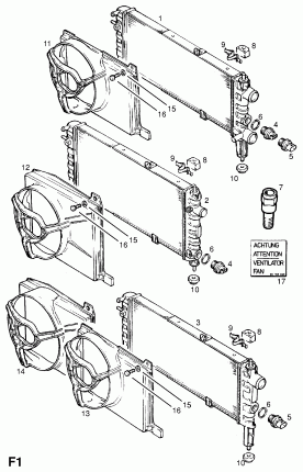
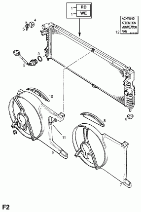
ВЕНТИЛЯТОР И ПРИВОД
Запчасти
ВОДЯНОЙ НАСОС (ЗАМЕНА)
Раздел
ВОДЯНОЙ НАСОС И ФИТИНГИ
Раздел
ВЫКЛЮЧАТЕЛЬ РАДИАТОРА И ТЕРМОСТАТА
Раздел
МОНТАЖНЫЕ ДЕТАЛИ РАДИАТОРА
Раздел
НАПОРНЫЙ БАК
Запчасти
ОБТЕКАТЕЛЬ РАДИАТОРА
Раздел
РЕЛЕ ТЕМПЕРАТУРЫ ВОДЫ
Запчасти
ТЕРМОСТАТ, КОРПУС И ВЫПУСКНОЙ ВОДЯНОЙ КАНАЛ
Раздел
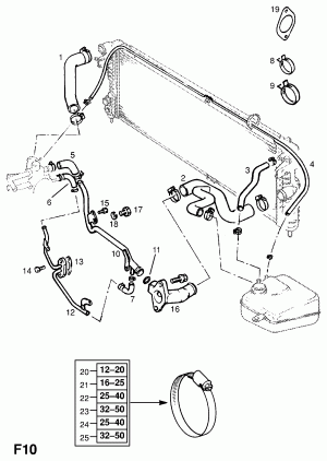
ШЛАНГИ И ТРУБКИ
Раздел
ШЛАНГИ И ТРУБКИ (ПРОДОЛЖ.)
Раздел