cat
by
vin
Найти
Каталоги
Главная
PONTIAC · Aztek
Узел
Aztek
ENGINE BLOCK HEATER (K05)
Запчасти
ENGINE COOLANT FAN
Запчасти
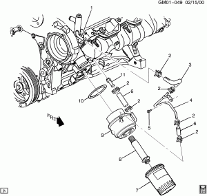
ENGINE OIL COOLER (KC4)
Запчасти
GRILLE/RADIATOR
Запчасти
PULLEYS & BELTS/ACCESSORY DRIVE
Запчасти
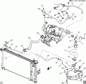
RADIATOR ASM
Запчасти
RADIATOR HOSES
Запчасти
RADIATOR MOUNTING & RELATED PARTS
Запчасти