cat
by
vin
Найти
Каталоги
Главная
PONTIAC · Aztek
Узел
Aztek
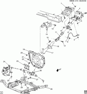
DRIVE AXLE/FRONT
Раздел
STEERING COLUMN
Запчасти
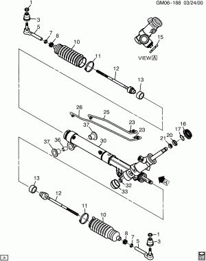
STEERING GEAR ASM
Запчасти
STEERING PUMP ASM
Запчасти
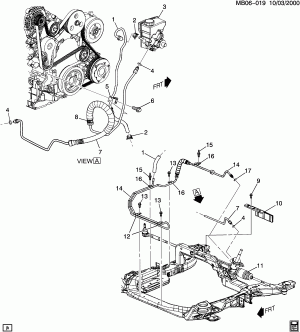
STEERING PUMP LINES
Раздел
STEERING PUMP MOUNTING
Запчасти
STEERING SYSTEM & RELATED PARTS
Запчасти
STEERING WHEEL & HORN PARTS
Запчасти
STRUT ASM/FRONT
Запчасти
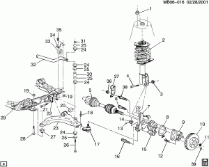
SUSPENSION/FRONT
Запчасти