Fiero
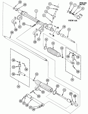
STEERING ASM/RACK & PINION
Запчасти
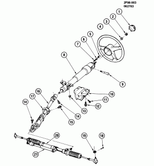
STEERING COLUMN/STANDARD (F/S, A.T.)
Запчасти
STEERING COLUMN/STANDARD (F/S, M.T.)
Запчасти
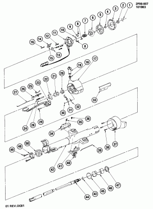
STEERING COLUMN/TILT (F/S, A.T.)
Запчасти
STEERING COLUMN/TILT (F/S, M.T.)
Запчасти
STEERING SYSTEM & RELATED PARTS
Запчасти
STEERING WHEEL & HORN PARTS
Запчасти
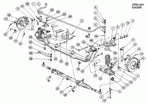
SUSPENSION/FRONT
Запчасти