cat
by
vin
Найти
Каталоги
Главная
PONTIAC · Fiero
Узел
Fiero
CONSOLE/FLOOR
Запчасти
DOOR HARDWARE/FRONT
Запчасти
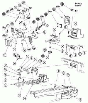
INSTRUMENT PANEL
Запчасти
MIRROR/REAR VIEW-EXTERIOR
Запчасти
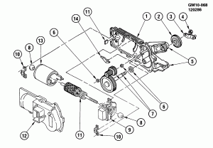
WIPER MOTOR/WINDSHIELD (DELCO)
Запчасти
WIPER MOTOR/WINDSHIELD (DELCO)(PULSE)
Запчасти
WIPER SYSTEM/WINDSHIELD
Запчасти