Trans Sport
COVER/TRANSMISSION CONVERTER
Запчасти
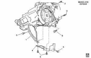
ENGINE & TRANSMISSION MOUNTING-V6 (LG6/3.1D)
Запчасти
ENGINE ASM-3.1L V6 PART 1 CYLINDER BLOCK & INTERNAL PARTS (LG6/3.1D)
Запчасти
ENGINE ASM-3.1L V6 PART 2 CYLINDER HEAD & RELATED PARTS (LG6/3.1D)
Запчасти
ENGINE ASM-3.1L V6 PART 3 FRONT COVER & COOLING (LG6/3.1D)
Запчасти
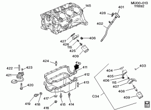
ENGINE ASM-3.1L V6 PART 4 OIL PUMP, PAN & RELATED PARTS (LG6/3.1D)
Запчасти
ENGINE ASM-3.1L V6 PART 5 MANIFOLDS & RELATED PARTS (LG6/3.1D)
Запчасти