cat
by
vin
Найти
Каталоги
Главная
PONTIAC · Trans Sport
Узел
Trans Sport
BATTERY CABLES (LG6/3.1D,L27/3.8L)
Запчасти
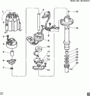
DISTRIBUTOR/IGNITION (LG6)
Запчасти
GENERATOR MOUNTING (LG6/3.1D)
Запчасти
LAMPS/FRONT
Запчасти
LAMPS/REAR
Запчасти
STARTER MOTOR (LG6/3.1D)
Запчасти
STARTER MOTOR MOUNTING (LG6/3.1D)
Запчасти