cat
by
vin
Найти
Каталоги
Главная
PONTIAC · G3 (Mexico and USA)
Узел
G3 (Mexico and USA)
BUMPER/FRONT
Раздел
BUMPER/REAR
Раздел
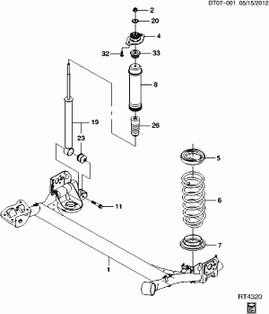
SUSPENSION/REAR
Запчасти