Fiero
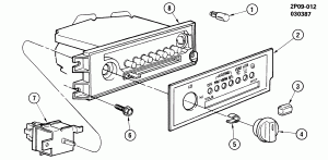
A/C & HEATER CONTROL ASM (C60)
Запчасти
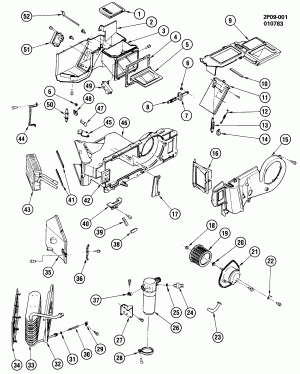
A/C & HEATER MODULE ASM
Запчасти
A/C COMPRESSOR ASM/V-5
Запчасти
A/C COMPRESSOR ASM DA-6/HR-6
Запчасти
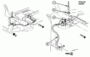
A/C COMPRESSOR MOUNTING-2.5L L4 (LR8/2.5R)
Запчасти
A/C COMPRESSOR MOUNTING-2.8L V6 (L44/2.8-9)
Запчасти
A/C REFRIGERATION SYSTEM
Запчасти
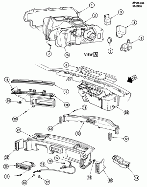
AIR DISTRIBUTION SYSTEM
Запчасти
ANTENNA/FIXED MAST
Запчасти