Ventura
151V AIR CLEANER & EMISSION PARTS
Запчасти
231 V6 AIR CLEANER & EMISSION PARTS
Запчасти
231/301/350H,J EXHAUST SYSTEM
Запчасти
250/151 EXHAUST SYSTEM
Запчасти
260/350R EXHAUST SYSTEM
Запчасти
305/350L EXHAUST SYSTEM
Запчасти
305U/350L V8 AIR CLEANER & EMISSION PARTS
Запчасти
400Z V8 AIR CLEANER & EMISSION PARTS
Запчасти
EMISSION CONTROL DEVICES
Раздел
HOLLEY 2 BBL CARBURETOR - 5210C
Запчасти
ROCHESTER 1 BBL CARBURETOR - 1MV
Запчасти
ROCHESTER 2 BBL CARBURETOR - 2GC
Запчасти
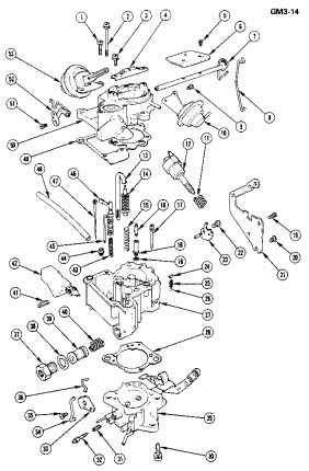
ROCHESTER 2 BBL CARBURETOR - 2MC
Запчасти
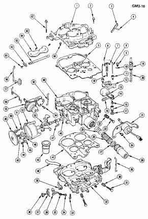
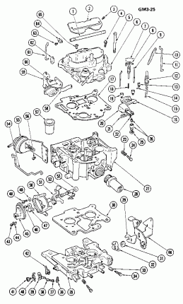
ROCHESTER 2 BBL CARBURETOR - M2MC
Запчасти
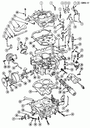
ROCHESTER 4 BBL CARBURETOR
Запчасти