996 GT3
1999-2005
Cистема зажигания
Запчасти
Porsche Classic Communication Management Plus
Запчасти
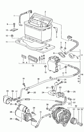
Аккумуляторная батарея
Запчасти
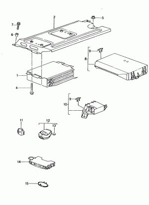
Блоки управления
Запчасти
Выключатель
Запчасти
Головное устройство
Запчасти
Динамик
Запчасти
Жгуты проводов
Раздел
Задний фонарь
Запчасти
Звуковой сигнал
Запчасти
К-кт для подключения телефона
Запчасти
Комбинация приборов
Запчасти
Коробка с запасными лампами
Запчасти
Омыватель фар
Запчасти
Плафон освещения салона
Запчасти
Подрулевой рычаг
Запчасти
Стеклоомыватель
Запчасти
Стеклоочиститель комплектный
Запчасти
Фары
Раздел
Центральный блок электрообор.
Раздел