cat
by
vin
Найти
Каталоги
Главная
SAAB · SAAB 9-5 (9600) (1998 - 2010)
Узел
SAAB 9-5 (9600) (1998 - 2010)
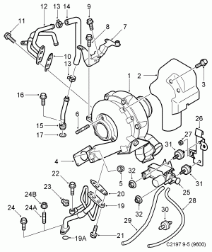
Турбокомпрессор, (1998-2010) , B205, B235
Запчасти
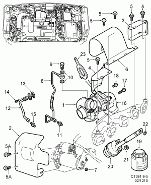
Турбокомпрессор, (2002-2005) , D223L
Запчасти
Турбокомпрессор, (2002-2005) , D308L
Запчасти