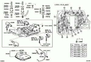
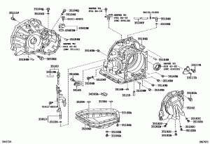
Vitz B - SCP10-AGPDK
ENGINE 1: 1000CC 16-VALVE DOHC EFI; GRADE: B TYPE; ATM,MTM: AUTOMATIC TRANSMISSION; GEAR SHIFT TYPE: ATM, 4-SPEED FLOOR SHIFT; NO.OF DOORS: 3-DOOR
ENGINE 1: 1000CC 16-VALVE DOHC EFI; GRADE: B TYPE; ATM,MTM: AUTOMATIC TRANSMISSION; GEAR SHIFT TYPE: ATM, 4-SPEED FLOOR SHIFT; NO.OF DOORS: 3-DOOR