catbyvin

Sienna LE - GSL25L-PFAEKA

ENGINE 1: 3500CC 24-VALVE DOHC EFI; BODY: WAGON; GRADE: LE TYPE; ATM,MTM: AUTOMATIC TRANSMISSION; NO.OF DOORS: 5-DOOR; SEATING CAPACITY: 7-SEATER; DESTINATION: UNITED STATES OF AMERICA

Корпус акпп и масляный поддон
Раздел
Задняя оси и ступица
Раздел
Передние привода (шрус)
Раздел
Заглушки
Раздел
Кузов нижняя часть
Раздел
Сиденье
Раздел
Провода и клеммы
Раздел
Печка кондиционер управление
Раздел
Автоматический контроль света
Автоматический контроль света
Запчасти
Блок цилиндров
Блок цилиндров
Запчасти
Внутренние элементы
Внутренние элементы
Запчасти
Генератор
Генератор
Запчасти
Глушитель
Глушитель
Запчасти
Головка блока
Головка блока
Запчасти
Диски и колпаки
Диски и колпаки
Запчасти
Задние фонари
Задние фонари
Запчасти
Задняя дверь- замок и ручки
Задняя дверь- замок и ручки
Запчасти
Зеркала
Зеркала
Запчасти
Клапанный механизм и масляный фильтр (акпп)
Клапанный механизм и масляный фильтр (акпп)
Запчасти
Козырьки.ручки салона
Козырьки.ручки салона
Запчасти
Компрессор кондиционера
Компрессор кондиционера
Запчасти
Корнштейн номерногознака
Корнштейн номерногознака
Запчасти
Крышка багажника
Крышка багажника
Запчасти
Крышка багажника и стекло
Крышка багажника и стекло
Запчасти
Насос гидроусилителя , бачек
Насос гидроусилителя , бачек
Запчасти
Основные фары
Основные фары
Запчасти
Панель крыши
Панель крыши
Запчасти
Педаль тормоза
Педаль тормоза
Запчасти
Пепельница
Пепельница
Запчасти
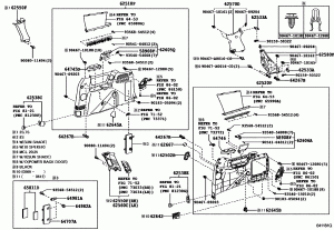
Перегородки и каркас
Перегородки и каркас
Запчасти
Передние тормоза (колодки, суппорта, рем к-т, кожух)
Передние тормоза (колодки, суппорта, рем к-т, кожух)
Запчасти
Печка и кондиционер магистраль кондиционера
Печка и кондиционер магистраль кондиционера
Запчасти
Помпа
Помпа
Запчасти
Приборная панель
Приборная панель
Запчасти
Приемник, усилитель, охладитель
Приемник, усилитель, охладитель
Запчасти
Радиатор, шланги
Радиатор, шланги
Запчасти
Раздаточная коробка и дифференциал
Раздаточная коробка и дифференциал
Запчасти
Раздаточная коробка сальники
Раздаточная коробка сальники
Запчасти
Ремни безопасности
Ремни безопасности
Запчасти
Решетка радиатора
Решетка радиатора
Запчасти
Рулевая рейка и наконечники
Рулевая рейка и наконечники
Запчасти
Ручка переключения передач
Ручка переключения передач
Запчасти
Спойлер и молдинги
Спойлер и молдинги
Запчасти
Стояночный тормоз колодки троса. (ручник)
Стояночный тормоз колодки троса. (ручник)
Запчасти
Топливный бак заливная горловина
Топливный бак заливная горловина
Запчасти
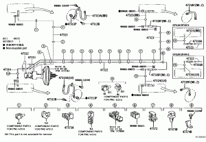
Тормозная магистраль (трубки)
Тормозная магистраль (трубки)
Запчасти
Трубки гидроусилителя руля
Трубки гидроусилителя руля
Запчасти
Электронная система впрыска топлива (efi)
Электронная система впрыска топлива (efi)
Запчасти